Viper hedge trimmer
Hydraulic hedge trimmer adaptable to tractor from 16hp
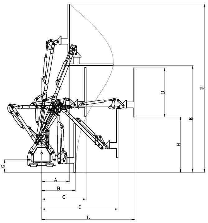
The VIPER hydraulic hedge trimmer has been designed to trim field hedges, hornbeam hedges and cedars. A robust hedge trimmer mounted behind compact tractors or micro tractors from 16hp. Fitted as standard with a 1m20 long rotating cutter bar, it does not clog and easily ejects pruning rejects above the hedge. The VIPER pruner will also be effective for pruning fruit trees. Characteristics Adaptation in 3 rear points Teleflex cable control Hydraulic power unit as standard Vertical cutting height: 4230 mm Horizontal cutting height: 2680 mm Offset on the right side: 2000 mm Cutting width: 1 m 20 Floating safety on the cutter bar in the event of light effort Maximum cutting diameter: 30 mm Weight: 250 kg





